Меню |
|---|
Реклама |
|---|
Активные участники |
|---|
Часы |
|---|
Поиск |
|---|
Ссылка на наш сайт |
|---|
Кто сейчас на конференции |
|---|
Всего 16 посетителей :: 0 зарегистрированных, 0 скрытых и 16 гостей
Сейчас этот форум просматривают: нет зарегистрированных пользователей и 16 гостей |
Ссылки |
|---|
|
| Автор |
Сообщение |
|
AL_MAR
|
|
| Не в сети |
| Старшина 1 статьи |
 |
Зарегистрирован: 26 фев 2011, 19:05 Сообщения: 249
Откуда: Донецк, Украина
|
pro-irk";p="24027 писал(а): Была такая же фигня, новый винт, зазор почти 0, а буксует.Проложили вокруг забора воды резиной и герметиком, чтоб подсоса небыло, попер как сумашедший!
можно с этого места поподробнее, очень интересно
_________________ Если нельзя, но очень хочется, то можно
|
|
| Вернуться к началу |
|
 |
|
pro-irk
|
|
| Не в сети |
| Старшина 2 статьи |
Зарегистрирован: 21 май 2010, 10:14 Сообщения: 122
Откуда: Иркутск
|
Буксовал водомет на Каве стоячке, импеллер новый, когда поставили его - еле прокручивался в турбине, ничего понять не могли.Потом почитал тему на с-мобайле и сделал также, проложили резиной вокруг приемной трубы и замазали герметиком и попер родной! 
_________________ Хочу жить - офигенно...(с)
|
|
| Вернуться к началу |
|
 |
|
alex12-118
|
|
Зарегистрирован: 17 мар 2011, 21:20 Сообщения: 22
Откуда: Магнитогорск
|
pro-irk";p="24149 писал(а): Буксовал водомет на Каве стоячке, импеллер новый, когда поставили его - еле прокручивался в турбине, ничего понять не могли.Потом почитал тему на с-мобайле и сделал также, проложили резиной вокруг приемной трубы и замазали герметиком и попер родной! 
У кореша на GTX RFI такая-же проблема! Только всё равно не понял, где уплотнять надо? Хорошо-бы ссылку на тему или фотки посмотреть!
|
|
| Вернуться к началу |
|
 |
|
pro-irk
|
|
| Не в сети |
| Старшина 2 статьи |
Зарегистрирован: 21 май 2010, 10:14 Сообщения: 122
Откуда: Иркутск
|
|
_________________ Хочу жить - офигенно...(с)
|
|
| Вернуться к началу |
|
 |
|
AL_MAR
|
|
| Не в сети |
| Старшина 1 статьи |
 |
Зарегистрирован: 26 фев 2011, 19:05 Сообщения: 249
Откуда: Донецк, Украина
|
|
Реально ценная информация!!! Спасибо всем!
_________________ Если нельзя, но очень хочется, то можно
|
|
| Вернуться к началу |
|
 |
|
VIN
|
|
Зарегистрирован: 20 июн 2011, 22:03 Сообщения: 40
Откуда: Н.Новгород
|
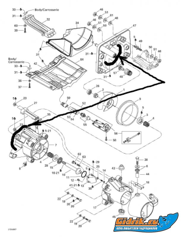
Спасибо за информацию на картинках все подробно, сделаю все как указано потом обязательно отпишусь, я снимал водомет, масло заливал в подшипник да и так посмотреть что как, там был герметик только я не понял зачем его туда предидущий владелец напихал, теперь знаю.

|
|
| Вернуться к началу |
|
 |
|
alex12-118
|
|
Зарегистрирован: 17 мар 2011, 21:20 Сообщения: 22
Откуда: Магнитогорск
|
|
Спасибо!!! Тоже попробуем в выходные!
|
|
| Вернуться к началу |
|
 |
Кто сейчас на конференции |
Сейчас этот форум просматривают: нет зарегистрированных пользователей и 16 гостей |
|
|
Вы не можете начинать темы Вы не можете отвечать на сообщения Вы не можете редактировать свои сообщения Вы не можете удалять свои сообщения Вы не можете добавлять вложения
|
|