Меню |
|---|
Реклама |
|---|
Активные участники |
|---|
Часы |
|---|
Поиск |
|---|
Ссылка на наш сайт |
|---|
Кто сейчас на конференции |
|---|
Всего 3 посетителя :: 0 зарегистрированных, 0 скрытых и 3 гостя
Сейчас этот форум просматривают: нет зарегистрированных пользователей и 3 гостя |
Ссылки |
|---|
|
| Автор |
Сообщение |
|
rodionov02
|
|
Зарегистрирован: 02 авг 2018, 17:28 Сообщения: 16
Имя: Александр
Техника: Kawasaki Jet Sky 750 ZXI
Благодарил (а): 3 раза Поблагодарили: 1 раз
|
|
Ребята всем привет.
Приобрел Kawasaki Ski Jet 750 ZXI с пропавшей искрой. Проводка была вся раскурочена, пытались видимо замостырить CDI от мопеда Хонда Дио (БЕЗ УОЗ)! В общем все собрал как положено. Искры конечно же и не стало. Выяснил что родной CDI не рабочий вовсе! Никаких признаков жизни не подает! Проверяли осциллографом, на выходе к катушке - нет ничего. Даже от мопеда подавал какие то импульсы и даже слабую при слабую искру. Но самое что расстроило, что с магнето на CDI приходит всего 47 вольт. Магнето видимо умирает.... Вопрос: Достаточно ли этого будет для искры, если я воткну рабочий родной CDI?
Ну и второй вопрос, можно ли поменять обмотку на магнето? нашел как оно выглядит, вроде можно справиться....
| Вложения: |

Безымянный.jpg [ 53.46 КБ | 11886 просмотров ]
|
|
|
| Вернуться к началу |
|
 |
|
Andbauer
|
|
Зарегистрирован: 05 июл 2018, 08:00 Сообщения: 92
Имя: Андрей
Техника: BRP GTX LTD 1998
Откуда: Анжеро-Судженск
Поблагодарили: 4 раза
|
|
Искра и 47 вольт разные вещи, 47 вольт это катушки зарядки, то есть у вас с магнето выходит 3 провода зарядки и 2 провода датчика положения каленвала, далее в ЭБУ происходит расчет УОЗ и подача импульса на катушки для искры, для начала проверить датчик положения каленвала, далее высоковольтную катушку Не совсем понятно что вы имеете ввиду под родным CDI. У вас в магнето стоял не родной датчик или полностью датчик и высоковольтные катушки. Если просто датчик то видимо родной датчик вышел из строя и решили приколхозить то что было под рукой, искра в данном типе зажигания кажется очень слабой это нормально. Попробуйте найти оригинальный датчик и поставить его если не поможет, то замена катушки для теста можно попробовать от газели там тоже двойные катушки, но только попробовать, там другой тип системы зажигания и корректно работать не будет но проблему найти сможете На фото то что с обмотками это катушки зарядки а отдельный черный квадрат это датчик зажигания
|
|
| Вернуться к началу |
|
 |
|
softserver
|
|
Зарегистрирован: 25 авг 2018, 02:05 Сообщения: 1
Имя: Сергей
Техника: Новичек
Поблагодарили: 1 раз
|
Если посетило желание убить несколько дней жизни, то мои советы следующие ... 1. Начало ремонта следует начинать с полного восстановления проводки согласно схемы. (Схему прилагаю) По идее схема одна и та же на все JET SKI с объемом 750куб. 2. Обязательно проверить на работоспособность кнопки запуска и остановки. Большое внимание следует уделить именно кнопке остановки так как она может работать не корректно, и может быть одной из причин отсутствия искры. Чистка контактов в помощь 3. Если все таки решили восстановить гидрик до заводского состояния рекомендую приобрести новое магнето (около 100$ на алиэкспресс), иначе в случае неправильной намотки питающих катушек проблема проявит себя снова. (А катушки там мотаются очень тонким проводом с большим количеством витков, риск межвиткового пробоя очень велик)  . 4. Обязательная проверка и чистка герметичных соединений между коммутатором CDI и внешними узлами. 5. Проверка на исправность катушки зажигания. Для этого понадобится мультиметр включенный в режим измерения сопротивления. Первичка катушки (та что от коммутатора - примерно 0.1 Ом.), вторичка - ± 4...5кОм. Вторичку мерить по свечным проводам. 6. Если сопротивление вторички катушки очень высокое или оно вовсе бесконечно - смотреть ВВ провода (особенно в месте соединения их со свечным наконечником). Сопротивления ВВ проводов от вторички катушки и до свечи - ± 0...1Ом. В случае высокого сопротивления проводов искра может быть, но заметно слабее чем должна. 7. В случает тотальной экономии и нежелания ждать месяц магнето, можно задурить японскую технику отсоединившись от питающей катушки и вместо нее подавать питание на блок через высоковольтный DC-AC  ИМЕННО ПОСТОЯНКИ В ПЕРЕМЕНКУ  преобразователь 12-120...180В...(Больше не желательно). Один из выводов высоковольтного преобразователя идет на КОРПУС а второй на CDI коммутатор через высокоскоростной диод (типа FR607) без НИКАКИХ конденсаторов по выходу иначе CDI-коммутатор уйдет в мир иной. ЛАЙФХАК... если в промежутке между аккумулятором и повышающим преобразователем поставить повышающий DC-DC преобразователь с выходным напряжением примерно 16В. и преобразователь 12-120...180В настроить на корректную работу при таком входном напряжении...можно добиться равномерной искры даже на почти дохлом аккумуляторе. 8. К 7 совету дельным дополнением может быть проверка работоспособности новой колхозной системы на скутеровском коммутаторе так как он дешевый (2,5$ у нас) и только в случае нормальной работоспособности подключать оригинальный CDI. По окончанию желаю удачи, терпения и заряженного аккумулятора для тестов 
| Вложения: |

PEodgvo.jpg [ 352.79 КБ | 11703 просмотра ]
|
|
|
| Вернуться к началу |
|
 |
|
igor sea-doo
|
|
| Не в сети |
| Адмирал флота |
 |
Зарегистрирован: 07 авг 2015, 10:53 Сообщения: 6376
Имя: igor
Техника: ветерок 12
Откуда: Krasnodar city
Благодарил (а): 105 раз Поблагодарили: 168 раз
|
rodionov02 писал(а): Ребята всем привет. Приобрел Kawasaki Ski Jet 750 ZXI с пропавшей искрой. Проводка была вся раскурочена, пытались видимо замостырить CDI от мопеда Хонда Дио (БЕЗ УОЗ)! В общем все собрал как положено. Искры конечно же и не стало. Выяснил что родной CDI не рабочий вовсе! Никаких признаков жизни не подает! Проверяли осциллографом, на выходе к катушке - нет ничего. Даже от мопеда подавал какие то импульсы и даже слабую при слабую искру. Но самое что расстроило, что с магнето на CDI приходит всего 47 вольт. Магнето видимо умирает.... Вопрос: Достаточно ли этого будет для искры, если я воткну рабочий родной CDI? Ну и второй вопрос, можно ли поменять обмотку на магнето? нашел как оно выглядит, вроде можно справиться.... можно.только кто витки считать будет? 
|
|
| Вернуться к началу |
|
 |
|
igor sea-doo
|
|
| Не в сети |
| Адмирал флота |
 |
Зарегистрирован: 07 авг 2015, 10:53 Сообщения: 6376
Имя: igor
Техника: ветерок 12
Откуда: Krasnodar city
Благодарил (а): 105 раз Поблагодарили: 168 раз
|
softserver писал(а): Если посетило желание убить несколько дней жизни, то мои советы следующие ... 1. Начало ремонта следует начинать с полного восстановления проводки согласно схемы. (Схему прилагаю) По идее схема одна и та же на все JET SKI с объемом 750куб. 2. Обязательно проверить на работоспособность кнопки запуска и остановки. Большое внимание следует уделить именно кнопке остановки так как она может работать не корректно, и может быть одной из причин отсутствия искры. Чистка контактов в помощь 3. Если все таки решили восстановить гидрик до заводского состояния рекомендую приобрести новое магнето (около 100$ на алиэкспресс), иначе в случае неправильной намотки питающих катушек проблема проявит себя снова. (А катушки там мотаются очень тонким проводом с большим количеством витков, риск межвиткового пробоя очень велик)  . 4. Обязательная проверка и чистка герметичных соединений между коммутатором CDI и внешними узлами. 5. Проверка на исправность катушки зажигания. Для этого понадобится мультиметр включенный в режим измерения сопротивления. Первичка катушки (та что от коммутатора - примерно 0.1 Ом.), вторичка - ± 4...5кОм. Вторичку мерить по свечным проводам. 6. Если сопротивление вторички катушки очень высокое или оно вовсе бесконечно - смотреть ВВ провода (особенно в месте соединения их со свечным наконечником). Сопротивления ВВ проводов от вторички катушки и до свечи - ± 0...1Ом. В случае высокого сопротивления проводов искра может быть, но заметно слабее чем должна. 7. В случает тотальной экономии и нежелания ждать месяц магнето, можно задурить японскую технику отсоединившись от питающей катушки и вместо нее подавать питание на блок через высоковольтный DC-AC  ИМЕННО ПОСТОЯНКИ В ПЕРЕМЕНКУ  преобразователь 12-120...180В...(Больше не желательно). Один из выводов высоковольтного преобразователя идет на КОРПУС а второй на CDI коммутатор через высокоскоростной диод (типа FR607) без НИКАКИХ конденсаторов по выходу иначе CDI-коммутатор уйдет в мир иной. ЛАЙФХАК... если в промежутке между аккумулятором и повышающим преобразователем поставить повышающий DC-DC преобразователь с выходным напряжением примерно 16В. и преобразователь 12-120...180В настроить на корректную работу при таком входном напряжении...можно добиться равномерной искры даже на почти дохлом аккумуляторе. 8. К 7 совету дельным дополнением может быть проверка работоспособности новой колхозной системы на скутеровском коммутаторе так как он дешевый (2,5$ у нас) и только в случае нормальной работоспособности подключать оригинальный CDI. По окончанию желаю удачи, терпения и заряженного аккумулятора для тестов   Сергей ,возьми номер и объясни челу.столько писать,я бы офигел!ещё и вопросы будут! 
|
|
| Вернуться к началу |
|
 |
|
igor sea-doo
|
|
| Не в сети |
| Адмирал флота |
 |
Зарегистрирован: 07 авг 2015, 10:53 Сообщения: 6376
Имя: igor
Техника: ветерок 12
Откуда: Krasnodar city
Благодарил (а): 105 раз Поблагодарили: 168 раз
|
igor sea-doo писал(а): rodionov02 писал(а): Ребята всем привет. Приобрел Kawasaki Ski Jet 750 ZXI с пропавшей искрой. Проводка была вся раскурочена, пытались видимо замостырить CDI от мопеда Хонда Дио (БЕЗ УОЗ)! В общем все собрал как положено. Искры конечно же и не стало. Выяснил что родной CDI не рабочий вовсе! Никаких признаков жизни не подает! Проверяли осциллографом, на выходе к катушке - нет ничего. Даже от мопеда подавал какие то импульсы и даже слабую при слабую искру. Но самое что расстроило, что с магнето на CDI приходит всего 47 вольт. Магнето видимо умирает.... Вопрос: Достаточно ли этого будет для искры, если я воткну рабочий родной CDI? Ну и второй вопрос, можно ли поменять обмотку на магнето? нашел как оно выглядит, вроде можно справиться.... можно.только кто витки считать будет? можно.только кто витки считать будет? 
|
|
| Вернуться к началу |
|
 |
|
rodionov02
|
|
Зарегистрирован: 02 авг 2018, 17:28 Сообщения: 16
Имя: Александр
Техника: Kawasaki Jet Sky 750 ZXI
Благодарил (а): 3 раза Поблагодарили: 1 раз
|
softserver писал(а): Если посетило желание убить несколько дней жизни, то мои советы следующие ... 1. Начало ремонта следует начинать с полного восстановления проводки согласно схемы. (Схему прилагаю) По идее схема одна и та же на все JET SKI с объемом 750куб. 2. Обязательно проверить на работоспособность кнопки запуска и остановки. Большое внимание следует уделить именно кнопке остановки так как она может работать не корректно, и может быть одной из причин отсутствия искры. Чистка контактов в помощь 3. Если все таки решили восстановить гидрик до заводского состояния рекомендую приобрести новое магнето (около 100$ на алиэкспресс), иначе в случае неправильной намотки питающих катушек проблема проявит себя снова. (А катушки там мотаются очень тонким проводом с большим количеством витков, риск межвиткового пробоя очень велик)  . 4. Обязательная проверка и чистка герметичных соединений между коммутатором CDI и внешними узлами. 5. Проверка на исправность катушки зажигания. Для этого понадобится мультиметр включенный в режим измерения сопротивления. Первичка катушки (та что от коммутатора - примерно 0.1 Ом.), вторичка - ± 4...5кОм. Вторичку мерить по свечным проводам. 6. Если сопротивление вторички катушки очень высокое или оно вовсе бесконечно - смотреть ВВ провода (особенно в месте соединения их со свечным наконечником). Сопротивления ВВ проводов от вторички катушки и до свечи - ± 0...1Ом. В случае высокого сопротивления проводов искра может быть, но заметно слабее чем должна. 7. В случает тотальной экономии и нежелания ждать месяц магнето, можно задурить японскую технику отсоединившись от питающей катушки и вместо нее подавать питание на блок через высоковольтный DC-AC  ИМЕННО ПОСТОЯНКИ В ПЕРЕМЕНКУ  преобразователь 12-120...180В...(Больше не желательно). Один из выводов высоковольтного преобразователя идет на КОРПУС а второй на CDI коммутатор через высокоскоростной диод (типа FR607) без НИКАКИХ конденсаторов по выходу иначе CDI-коммутатор уйдет в мир иной. ЛАЙФХАК... если в промежутке между аккумулятором и повышающим преобразователем поставить повышающий DC-DC преобразователь с выходным напряжением примерно 16В. и преобразователь 12-120...180В настроить на корректную работу при таком входном напряжении...можно добиться равномерной искры даже на почти дохлом аккумуляторе. 8. К 7 совету дельным дополнением может быть проверка работоспособности новой колхозной системы на скутеровском коммутаторе так как он дешевый (2,5$ у нас) и только в случае нормальной работоспособности подключать оригинальный CDI. По окончанию желаю удачи, терпения и заряженного аккумулятора для тестов   ОГРОМНОЕ СПАСИБО ЗА СТАТЬЮ! Приступаю вновь к работе! Что сделано! Куплен полностью блок от kawasaki 750 тока предыдущего года. Поменяна: катушка, ВВ, в общем почти все. потому что корпуса у блоков разные и исполнительные элементы некоторые тоже разные (типа коммутатора).... работоспособность кнопки запуска и остановки полностью почищена. рабочая 100% Установлен новый аккум. Теперь с катушки на выходе 67В. думаю этого будет достаточно. По мануалу от 75-100 на выходе с катушки должно быть (где то тут прочитал на форуме) Обязательная проверка и чистка герметичных соединений между коммутатором CDI и внешними узлами. - сделано Катушка проверена - все ок. заводить не пробовал так как встала проблема в 2-х лишних проводах в моей текущей проводке. В новом блоке который приобрел, просто напросто нет по количеству столько проводов...... Завтра на работе скачаю схемы блоков моего и то что купил... и сфотаю все вживую. За схему вообще примного благодарен. Если бы еще первоисточник. может еще чего нарою) Всем спасибо! Ремонт продолжается!)
|
|
| Вернуться к началу |
|
 |
|
rodionov02
|
|
Зарегистрирован: 02 авг 2018, 17:28 Сообщения: 16
Имя: Александр
Техника: Kawasaki Jet Sky 750 ZXI
Благодарил (а): 3 раза Поблагодарили: 1 раз
|
|
да, все таки бы схему чуток покрупнее!!! походу смогу сам разобраться без электрика)))
|
|
| Вернуться к началу |
|
 |
|
Павел Геленджик
|
|
| Не в сети |
| Главный старшина |
Зарегистрирован: 08 окт 2015, 15:46 Сообщения: 600
Поблагодарили: 53 раза
|
|
Витков на ней 2200.В 96-м году мотал вручную всю ночь именно на каве 750.Запчастей тогда не было на каждом углу. После намотки пропитали в эпоксидке,высохла,поставили и работала до конца сезона,потом гидрик продали.
|
|
| Вернуться к началу |
|
 |
|
rodionov02
|
|
Зарегистрирован: 02 авг 2018, 17:28 Сообщения: 16
Имя: Александр
Техника: Kawasaki Jet Sky 750 ZXI
Благодарил (а): 3 раза Поблагодарили: 1 раз
|
|
нашел на алиэкспрессе за 8600 руб. Но пока без него буду пробовать.... все согласно схеме
|
|
| Вернуться к началу |
|
 |
|
rodionov02
|
|
Зарегистрирован: 02 авг 2018, 17:28 Сообщения: 16
Имя: Александр
Техника: Kawasaki Jet Sky 750 ZXI
Благодарил (а): 3 раза Поблагодарили: 1 раз
|
|
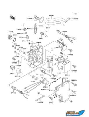
Ребята не поленился отрисовал в цвете, для туповатых как я) Может еще кому пригодится... буду смотреть, искать, проверять!)
| Вложения: |

схема.JPG [ 737.53 КБ | 11027 просмотров ]
|
|
|
| Вернуться к началу |
|
 |
|
rodionov02
|
|
Зарегистрирован: 02 авг 2018, 17:28 Сообщения: 16
Имя: Александр
Техника: Kawasaki Jet Sky 750 ZXI
Благодарил (а): 3 раза Поблагодарили: 1 раз
|
|
| Вернуться к началу |
|
 |
|
Юрец Панда
|
|
| Не в сети |
| Главный старшина |
Зарегистрирован: 17 авг 2016, 14:03 Сообщения: 555
Имя: Юрец Панда
Техника: Yamaha gp 1200 r ВМ Panda 500CC
Откуда: Москва
Благодарил (а): 278 раз Поблагодарили: 29 раз
|
|
Трим это регулировка по высоте сопла водомёта. Привод у него электрический. На искру не влияет)
_________________ Рубилово и кроилово, ведёт к попадолову. Обо мне на драйве https://www.drive2.ru/users/yurec-panda/
|
|
| Вернуться к началу |
|
 |
|
rodionov02
|
|
Зарегистрирован: 02 авг 2018, 17:28 Сообщения: 16
Имя: Александр
Техника: Kawasaki Jet Sky 750 ZXI
Благодарил (а): 3 раза Поблагодарили: 1 раз
|
Юрец Панда писал(а): Трим это регулировка по высоте сопла водомёта. Привод у него электрический. На искру не влияет) Подскажите а какой датчик или параметр регулирует высоту этого сопла водомета? Почему спрашиваю,.......... потому что провод от предохранителя Трим уходит в фишку вместе с серым проводом с компа, которого нет на схеме!
|
|
| Вернуться к началу |
|
 |
|
Юрец Панда
|
|
| Не в сети |
| Главный старшина |
Зарегистрирован: 17 авг 2016, 14:03 Сообщения: 555
Имя: Юрец Панда
Техника: Yamaha gp 1200 r ВМ Panda 500CC
Откуда: Москва
Благодарил (а): 278 раз Поблагодарили: 29 раз
|
|
Регулируется кнопкой пилотом, на его усмотрение. Уровень же подъёма показывается на датчике уровня, на моей каве такой же датчик как на уровень топлива. На искру он точно не влияет.
_________________ Рубилово и кроилово, ведёт к попадолову. Обо мне на драйве https://www.drive2.ru/users/yurec-panda/
|
|
| Вернуться к началу |
|
 |
Кто сейчас на конференции |
Сейчас этот форум просматривают: нет зарегистрированных пользователей и 3 гостя |
|
|
Вы не можете начинать темы Вы не можете отвечать на сообщения Вы не можете редактировать свои сообщения Вы не можете удалять свои сообщения Вы не можете добавлять вложения
|
|