Текущее время: 14 мар 2026, 15:08

Часовой пояс: UTC+03:00


 Меню

 Реклама

 Активные участники
Имя пользователя Сообщения
igor sea-doo 6376
fim-92 5218
Raider 4496
grigoryan 3446
Andman 3381

 Часы

 Поиск


Расширенный поиск

 Ссылка на наш сайт
Если хотите разместить ссылку на Гидрик.ру - Клуб любителей гидроциклов и другой техники для активного отдыха, используйте этот HTML-код:


 Кто сейчас на конференции
Всего 3 посетителя :: 0 зарегистрированных, 0 скрытых и 3 гостя

Сейчас этот форум просматривают: нет зарегистрированных пользователей и 3 гостя

 Ссылки
 www.nakley-ka.ru - мы делаем наклейки
 www.Relax-boat.ru - Ваш отдых на воде



Начать новую тему  Ответить на тему  [ 20 сообщений ]  На страницу Пред. 1 2
Автор Сообщение
 Заголовок сообщения:
СообщениеДобавлено: 09 янв 2012, 23:27 
Не в сети
Модератор
Аватара пользователя

Зарегистрирован: 10 мар 2011, 08:44
Сообщения: 4496
Имя: Юрий
Техника: катамаран "Янтарь"
Откуда: г.Рязань
Благодарил (а): 9 раз
Поблагодарили: 76 раз
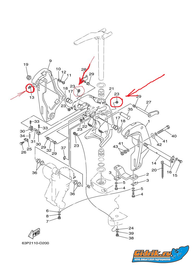
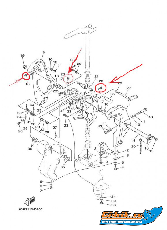
А еще 3 штуцера для шприца. Может меньше но есть.


Вложения:
BRACKET_1.jpg
BRACKET_1.jpg [ 338.33 КБ | 3648 просмотров ]
Вернуться к началу
 Заголовок сообщения:
СообщениеДобавлено: 09 янв 2012, 23:43 
Не в сети
Главком флота
Аватара пользователя

Зарегистрирован: 31 июл 2008, 14:48
Сообщения: 3381
Имя: Андрей
Техника: Yamaha Super Jet
Откуда: Москва
Благодарил (а): 7 раз
Поблагодарили: 1 раз
Изучу, спасибо

_________________
С уважением, администрация клуба www.Gidrik.ru


Вернуться к началу
 Заголовок сообщения:
СообщениеДобавлено: 10 янв 2012, 00:58 
Не в сети
Главный старшина

Зарегистрирован: 30 окт 2008, 01:20
Сообщения: 519
Техника: SJ-800
RXP-215, Tige20i, RiverJet2.7, Чайка
Откуда: Уфа
Raider";p="30199 писал(а):
Andman
Баян. Смазывать надо своевременно, чтоб тримка срабатывала. И устанавливать согласно регламента. У него кавитационная плита находилась ниже корпуса.
Я тоже сначала был в ахуе...

Плита выше/ниже, а в чём разница?
если удар приходится в редуктор, что дальше???
Хорошо если редуктор отлетел, но ведь это не гарантия, может и не отлететь, а всё таки залететь :(

_________________
Проживем жизнь так, чтоб на небесах Все ОБАЛДЕЛИ, а когда придет время оказаться там... - попросили ПОВТОРИТЬ! :)


Вернуться к началу
 Заголовок сообщения:
СообщениеДобавлено: 10 янв 2012, 01:07 
Не в сети
Главком флота
Аватара пользователя

Зарегистрирован: 31 июл 2008, 14:48
Сообщения: 3381
Имя: Андрей
Техника: Yamaha Super Jet
Откуда: Москва
Благодарил (а): 7 раз
Поблагодарили: 1 раз
Вообще хрень обсуждаете какую-то))))))))) Транец крепкий все ок)))))))))))

_________________
С уважением, администрация клуба www.Gidrik.ru


Вернуться к началу
 Заголовок сообщения:
СообщениеДобавлено: 10 янв 2012, 07:52 
Не в сети
Модератор
Аватара пользователя

Зарегистрирован: 10 мар 2011, 08:44
Сообщения: 4496
Имя: Юрий
Техника: катамаран "Янтарь"
Откуда: г.Рязань
Благодарил (а): 9 раз
Поблагодарили: 76 раз
RR1";p="30223 писал(а):
Raider";p="30199 писал(а):
Andman
Баян. Смазывать надо своевременно, чтоб тримка срабатывала. И устанавливать согласно регламента. У него кавитационная плита находилась ниже корпуса.
Я тоже сначала был в ахуе...

Плита выше/ниже, а в чём разница?
если удар приходится в редуктор, что дальше???
Хорошо если редуктор отлетел, но ведь это не гарантия, может и не отлететь, а всё таки залететь :(

Мотор установлен ниже-как следствие откидка сработала до упора вверх-дальше пошло в отрыв. :cry:


Вернуться к началу
Показать сообщения за:  Поле сортировки  
Начать новую тему  Ответить на тему  [ 20 сообщений ]  На страницу Пред. 1 2

Часовой пояс: UTC+03:00


Кто сейчас на конференции

Сейчас этот форум просматривают: нет зарегистрированных пользователей и 3 гостя


Вы не можете начинать темы
Вы не можете отвечать на сообщения
Вы не можете редактировать свои сообщения
Вы не можете удалять свои сообщения
Вы не можете добавлять вложения

Найти:
Перейти:  



Advertisements by Advertisement Management

cron
Яндекс.Метрика Rambler's Top100
Создано на основе phpBB® Forum Software © phpBB Limited
Русская поддержка phpBB / PW