Текущее время: 28 апр 2026, 21:39

Часовой пояс: UTC+03:00


 Меню

 Реклама

 Активные участники
Имя пользователя Сообщения
igor sea-doo 6377
fim-92 5218
Raider 4496
grigoryan 3446
Andman 3381

 Часы

 Поиск


Расширенный поиск

 Ссылка на наш сайт
Если хотите разместить ссылку на Гидрик.ру - Клуб любителей гидроциклов и другой техники для активного отдыха, используйте этот HTML-код:


 Кто сейчас на конференции
Всего 5 посетителей :: 0 зарегистрированных, 0 скрытых и 5 гостей

Сейчас этот форум просматривают: нет зарегистрированных пользователей и 5 гостей

 Ссылки
 www.nakley-ka.ru - мы делаем наклейки
 www.Relax-boat.ru - Ваш отдых на воде



Начать новую тему  Ответить на тему  [ 9 сообщений ] 
Автор Сообщение
 Заголовок сообщения: Крепеж сидения нужен
СообщениеДобавлено: 30 июн 2020, 14:45 
Не в сети
Матрос

Зарегистрирован: 30 июн 2020, 14:40
Сообщения: 14
Имя: Олег
Техника: bombardier rotax xp s di
bombardier rotax xp s di

Нужна планка под крепление большого сидения которую сняли и выкинули когда снимали мотор


Вернуться к началу
 Заголовок сообщения: Re: Крепеж сидения нужен
СообщениеДобавлено: 30 июн 2020, 14:46 
Не в сети
Адмирал флота
Аватара пользователя

Зарегистрирован: 07 авг 2015, 10:53
Сообщения: 6377
Имя: igor
Техника: ветерок 12
Откуда: Krasnodar city
Благодарил (а): 105 раз
Поблагодарили: 168 раз
Olegkross писал(а):
bombardier rotax xp s di

Нужна планка под крепление большого сидения которую сняли и выкинули когда снимали мотор

Фото или номер скиньте.


Вернуться к началу
 Заголовок сообщения: Re: Крепеж сидения нужен
СообщениеДобавлено: 30 июн 2020, 16:17 
Не в сети
Матрос

Зарегистрирован: 30 июн 2020, 14:40
Сообщения: 14
Имя: Олег
Техника: bombardier rotax xp s di
Нельзя сфотографировать того чего нет и номер тоже отсутствует по причине отсутствия детали


Вернуться к началу
 Заголовок сообщения: Re: Крепеж сидения нужен
СообщениеДобавлено: 30 июн 2020, 16:19 
Не в сети
Матрос

Зарегистрирован: 30 июн 2020, 14:40
Сообщения: 14
Имя: Олег
Техника: bombardier rotax xp s di
Это планка металлическая поперек шахты ставиться на нее надевается седло большое, задняя часть


Вернуться к началу
 Заголовок сообщения: Re: Крепеж сидения нужен
СообщениеДобавлено: 02 июл 2020, 05:11 
Не в сети
Главный корабельный старшина
Аватара пользователя

Зарегистрирован: 15 окт 2016, 15:55
Сообщения: 750
Имя: Руслан
Техника: Sea-Doo Sportster 4-TEC; RXT-X 255; RXT 215; RXP 215
Откуда: Владивосток
Благодарил (а): 1 раз
Поблагодарили: 10 раз
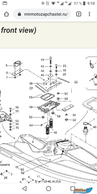
можно открыть каталог и посмотреть номер детали и тогда всем все станет понятно


Вернуться к началу
 Заголовок сообщения: Re: Крепеж сидения нужен
СообщениеДобавлено: 02 июл 2020, 05:48 
Не в сети
Адмирал флота
Аватара пользователя

Зарегистрирован: 07 авг 2015, 10:53
Сообщения: 6377
Имя: igor
Техника: ветерок 12
Откуда: Krasnodar city
Благодарил (а): 105 раз
Поблагодарили: 168 раз
bombardier125 писал(а):
можно открыть каталог и посмотреть номер детали и тогда всем все станет понятно

Ну вы барин задачи ставите....открыть..,посмотреть..)а так слабо??


Вернуться к началу
 Заголовок сообщения: Re: Крепеж сидения нужен
СообщениеДобавлено: 03 июл 2020, 09:22 
Не в сети
Матрос

Зарегистрирован: 30 июн 2020, 14:40
Сообщения: 14
Имя: Олег
Техника: bombardier rotax xp s di
Суповой набор я нашел из кучки запчастей


Вложения:
Screenshot_20200703-091037.png
Screenshot_20200703-091037.png [ 508.57 КБ | 5860 просмотров ]
Screenshot_20200703-091149.png
Screenshot_20200703-091149.png [ 407.92 КБ | 5860 просмотров ]
Вернуться к началу
 Заголовок сообщения: Re: Крепеж сидения нужен
СообщениеДобавлено: 03 июл 2020, 10:17 
Не в сети
Адмирал флота
Аватара пользователя

Зарегистрирован: 07 авг 2015, 10:53
Сообщения: 6377
Имя: igor
Техника: ветерок 12
Откуда: Krasnodar city
Благодарил (а): 105 раз
Поблагодарили: 168 раз
3₽ вся в. Сборе с воздуховодами


Вернуться к началу
 Заголовок сообщения: Re: Крепеж сидения нужен
СообщениеДобавлено: 03 июл 2020, 12:11 
Не в сети
Матрос

Зарегистрирован: 30 июн 2020, 14:40
Сообщения: 14
Имя: Олег
Техника: bombardier rotax xp s di
Ответил в личку


Вернуться к началу
Показать сообщения за:  Поле сортировки  
Начать новую тему  Ответить на тему  [ 9 сообщений ] 

Часовой пояс: UTC+03:00


Кто сейчас на конференции

Сейчас этот форум просматривают: нет зарегистрированных пользователей и 5 гостей


Вы не можете начинать темы
Вы не можете отвечать на сообщения
Вы не можете редактировать свои сообщения
Вы не можете удалять свои сообщения
Вы не можете добавлять вложения

Найти:
Перейти:  



Advertisements by Advertisement Management

Яндекс.Метрика Rambler's Top100
Создано на основе phpBB® Forum Software © phpBB Limited
Русская поддержка phpBB / PW