Меню |
|---|
Реклама |
|---|
Активные участники |
|---|
Часы |
|---|
Поиск |
|---|
Ссылка на наш сайт |
|---|
Кто сейчас на конференции |
|---|
Всего 2 посетителя :: 0 зарегистрированных, 0 скрытых и 2 гостя
Сейчас этот форум просматривают: нет зарегистрированных пользователей и 2 гостя |
Ссылки |
|---|
|
|
petrycho
|
|
| Не в сети |
| Вице-адмирал |
 |
Зарегистрирован: 15 фев 2016, 21:13 Сообщения: 3034
Имя: Пётр
Техника: Sunbird Saturn-170. Jolion. Sea-Doo Spark. ПЛМ Салют-Э.
Откуда: Липецк
Благодарил (а): 88 раз Поблагодарили: 122 раза
|
|
Помоему наоборот нужно гнуть, чтобы меньше лило
_________________ Опыт, как и половое бессилие, приходит с годами. _____________________________________________________ 
|
|
| Вернуться к началу |
|
 |
|
Alpinev
|
|
| Не в сети |
| Старший мичман |
 |
Зарегистрирован: 02 июл 2016, 17:40 Сообщения: 1037
Имя: Виталий
Откуда: Хабаровск
Благодарил (а): 66 раз Поблагодарили: 50 раз
|
|
| Вернуться к началу |
|
 |
|
Alpinev
|
|
| Не в сети |
| Старший мичман |
 |
Зарегистрирован: 02 июл 2016, 17:40 Сообщения: 1037
Имя: Виталий
Откуда: Хабаровск
Благодарил (а): 66 раз Поблагодарили: 50 раз
|
|
Проверил на воде. Никаких изменений. Третий так и льет. 5300 оборотов
|
|
| Вернуться к началу |
|
 |
|
petrycho
|
|
| Не в сети |
| Вице-адмирал |
 |
Зарегистрирован: 15 фев 2016, 21:13 Сообщения: 3034
Имя: Пётр
Техника: Sunbird Saturn-170. Jolion. Sea-Doo Spark. ПЛМ Салют-Э.
Откуда: Липецк
Благодарил (а): 88 раз Поблагодарили: 122 раза
|
|
да Бог с ним, что заливает, обороты то не сдвинулись. Может стоит дальше посмотреть, хотя бы клапана лепестковые.
_________________ Опыт, как и половое бессилие, приходит с годами. _____________________________________________________ 
|
|
| Вернуться к началу |
|
 |
|
Alpinev
|
|
| Не в сети |
| Старший мичман |
 |
Зарегистрирован: 02 июл 2016, 17:40 Сообщения: 1037
Имя: Виталий
Откуда: Хабаровск
Благодарил (а): 66 раз Поблагодарили: 50 раз
|
|
Про какие клапана ты говоришь?
|
|
| Вернуться к началу |
|
 |
|
grigoryan
|
|
| Не в сети |
| Вице-адмирал |
 |
Зарегистрирован: 22 сен 2010, 10:10 Сообщения: 3446
Имя: Юра
Техника: чего только нет ...
Откуда: Простоквашино
Поблагодарили: 18 раз
|
|
Точно,погляди. Стоят за карбами,если лепесток отломался или загнулся,похоже на то.
_________________ берегите природу мать вашу
|
|
| Вернуться к началу |
|
 |
|
Alpinev
|
|
| Не в сети |
| Старший мичман |
 |
Зарегистрирован: 02 июл 2016, 17:40 Сообщения: 1037
Имя: Виталий
Откуда: Хабаровск
Благодарил (а): 66 раз Поблагодарили: 50 раз
|
|
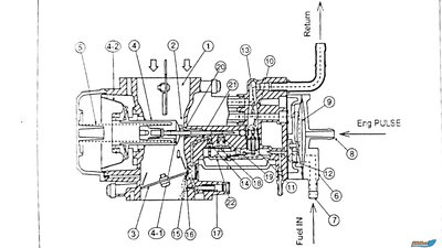
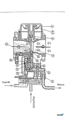
Нихрена не понял что за лепестки и где стоят ((. Можете на схеме показать? На кавасаках нет вроде никаких лепестков.
|
|
| Вернуться к началу |
|
 |
|
petrycho
|
|
| Не в сети |
| Вице-адмирал |
 |
Зарегистрирован: 15 фев 2016, 21:13 Сообщения: 3034
Имя: Пётр
Техника: Sunbird Saturn-170. Jolion. Sea-Doo Spark. ПЛМ Салют-Э.
Откуда: Липецк
Благодарил (а): 88 раз Поблагодарили: 122 раза
|
_________________ Опыт, как и половое бессилие, приходит с годами. _____________________________________________________ 
|
|
| Вернуться к началу |
|
 |
|
Alpinev
|
|
| Не в сети |
| Старший мичман |
 |
Зарегистрирован: 02 июл 2016, 17:40 Сообщения: 1037
Имя: Виталий
Откуда: Хабаровск
Благодарил (а): 66 раз Поблагодарили: 50 раз
|
|
Теперь понял. А что с ними могло бы произойти? Погнуться? Или совсем сломаться могут?
|
|
| Вернуться к началу |
|
 |
|
petrycho
|
|
| Не в сети |
| Вице-адмирал |
 |
Зарегистрирован: 15 фев 2016, 21:13 Сообщения: 3034
Имя: Пётр
Техника: Sunbird Saturn-170. Jolion. Sea-Doo Spark. ПЛМ Салют-Э.
Откуда: Липецк
Благодарил (а): 88 раз Поблагодарили: 122 раза
|
|
может песчинка пролететь и геометрия уйти, у меня такое было...
_________________ Опыт, как и половое бессилие, приходит с годами. _____________________________________________________ 
|
|
| Вернуться к началу |
|
 |
|
Alpinev
|
|
| Не в сети |
| Старший мичман |
 |
Зарегистрирован: 02 июл 2016, 17:40 Сообщения: 1037
Имя: Виталий
Откуда: Хабаровск
Благодарил (а): 66 раз Поблагодарили: 50 раз
|
|
А визуально это будет заметно? Или только местами например поменять их?
|
|
| Вернуться к началу |
|
 |
Кто сейчас на конференции |
Сейчас этот форум просматривают: нет зарегистрированных пользователей и 2 гостя |
|
|
Вы не можете начинать темы Вы не можете отвечать на сообщения Вы не можете редактировать свои сообщения Вы не можете удалять свои сообщения Вы не можете добавлять вложения
|
|