Меню |
|---|
Реклама |
|---|
Активные участники |
|---|
Часы |
|---|
Поиск |
|---|
Ссылка на наш сайт |
|---|
Кто сейчас на конференции |
|---|
Всего 10 посетителей :: 0 зарегистрированных, 0 скрытых и 10 гостей
Сейчас этот форум просматривают: нет зарегистрированных пользователей и 10 гостей |
Ссылки |
|---|
|
| Автор |
Сообщение |
|
Олег23
|
|
| Не в сети |
| Главный корабельный старшина |
Зарегистрирован: 05 сен 2016, 05:36 Сообщения: 809
Имя: Олег
Техника: Yamaha gp1200R 2000 год
Откуда: Владивосток
Благодарил (а): 15 раз Поблагодарили: 41 раз
|
|
Вот буквально неделю назад на воду спустили газ жму обороты полетели лодка стоит , потом второй раз жму и визг. Шлицы на валу не идеал, снял подвесной, одеваю на вал он рукой вращается. Внутри все слизано. Еще вариант где есть резьбы это две муфты, у вас еще есть одна резьба на промвалу, он у вас из двух частей состоит. Так что это все варианты которые могут быть, это не машина тут все на прямую, сколько оборотов на моторе столько и на винте, если винт стоит значит где то нет зацепа. Так что сьем промвала на 99 процентов обеспечен. Не тешьте себя надеждами что это может быть что то в водомете, там точно нечему проскальзывать. Если бы был пожсос из под башмака например он бы пробуксовывал не сильно но все равно всегда нормально выходил на глиссер, а поднимая трим вы снижаете нагрузку тем самым гидроциклу легче выходить на глис.
|
|
| Вернуться к началу |
|
 |
|
Pioneer
|
|
Зарегистрирован: 08 сен 2017, 21:30 Сообщения: 22
Имя: Евгений
|
Anatoliy11 писал(а): Как вариант, эндоскоп запустить. И да, на глисере нагрузка меньше. Точно) попробую у знакомого эндоскоп возьму, может и увижу что) Спасибо за совет)
|
|
| Вернуться к началу |
|
 |
|
Pioneer
|
|
Зарегистрирован: 08 сен 2017, 21:30 Сообщения: 22
Имя: Евгений
|
|
Надеюсь эндоскопом долезу)
|
|
| Вернуться к началу |
|
 |
|
Pioneer
|
|
Зарегистрирован: 08 сен 2017, 21:30 Сообщения: 22
Имя: Евгений
|
Олег23 писал(а): Вот буквально неделю назад на воду спустили газ жму обороты полетели лодка стоит , потом второй раз жму и визг. Шлицы на валу не идеал, снял подвесной, одеваю на вал он рукой вращается. Внутри все слизано. Еще вариант где есть резьбы это две муфты, у вас еще есть одна резьба на промвалу, он у вас из двух частей состоит. Так что это все варианты которые могут быть, это не машина тут все на прямую, сколько оборотов на моторе столько и на винте, если винт стоит значит где то нет зацепа. Так что сьем промвала на 99 процентов обеспечен. Не тешьте себя надеждами что это может быть что то в водомете, там точно нечему проскальзывать. Если бы был пожсос из под башмака например он бы пробуксовывал не сильно но все равно всегда нормально выходил на глиссер, а поднимая трим вы снижаете нагрузку тем самым гидроциклу легче выходить на глис. согласен полезу смотреть промвал(
|
|
| Вернуться к началу |
|
 |
|
Pioneer
|
|
Зарегистрирован: 08 сен 2017, 21:30 Сообщения: 22
Имя: Евгений
|
Олег23 писал(а): Вот буквально неделю назад на воду спустили газ жму обороты полетели лодка стоит , потом второй раз жму и визг. Шлицы на валу не идеал, снял подвесной, одеваю на вал он рукой вращается. Внутри все слизано. Еще вариант где есть резьбы это две муфты, у вас еще есть одна резьба на промвалу, он у вас из двух частей состоит. Так что это все варианты которые могут быть, это не машина тут все на прямую, сколько оборотов на моторе столько и на винте, если винт стоит значит где то нет зацепа. Так что сьем промвала на 99 процентов обеспечен. Не тешьте себя надеждами что это может быть что то в водомете, там точно нечему проскальзывать. Если бы был пожсос из под башмака например он бы пробуксовывал не сильно но все равно всегда нормально выходил на глиссер, а поднимая трим вы снижаете нагрузку тем самым гидроциклу легче выходить на глис. Залез сегодня камерой туда все шлицы на месте..ну думаю фиг с ним сниму промвал..пол дня потратил на снятие глушака и т.д. в итоге снял вал, он в идеале..все шлицы на месте, даже намека нет на проскальзывание...а самое обидное что все вроде разобрал, а причина не найдена( вот и ьумаю собирать или что еще копать дальше?
|
|
| Вернуться к началу |
|
 |
|
Anatoliy11
|
|
| Не в сети |
| Контр-адмирал |
 |
Зарегистрирован: 30 июн 2016, 09:13 Сообщения: 2628
Имя: Анатолий
Техника: Мотороллер с фаркопом
Откуда: Харьков обл.
Благодарил (а): 30 раз Поблагодарили: 156 раз
|
|
Востановлкние водомёта не в Брянске у Станислава делали?если да, вопросов к шагу винта тет)! Грешить на полумуфты на резьбе и я лично это отбрасываю, равносильно просверлить резьбовую)))! Остаётся искать хороший подсос в башмаке!
_________________ "Лучше пару раз по разу:- чем ни разу много раз")) настройка карбюраторов ссылка нижеhttp://www.pwctoday.com/showthread.php?t=62278
|
|
| Вернуться к началу |
|
 |
|
Олег23
|
|
| Не в сети |
| Главный корабельный старшина |
Зарегистрирован: 05 сен 2016, 05:36 Сообщения: 809
Имя: Олег
Техника: Yamaha gp1200R 2000 год
Откуда: Владивосток
Благодарил (а): 15 раз Поблагодарили: 41 раз
|
Anatoliy11 писал(а): Востановлкние водомёта не в Брянске у Станислава делали?если да, вопросов к шагу винта тет)! Грешить на полумуфты на резьбе и я лично это отбрасываю, равносильно просверлить резьбовую)))! Остаётся искать хороший подсос в башмаке! С завода башмак идет пустой, те полости что там есть и что советуют закрыть это так сказать тюнинг. То есть он с завода едет при их наличии и не буксует. Там единственное что идет с завода это уплотнительный паралон или резинка наклеенный между башмаком и корпусом. Автор ты воткнул пром вал на водомет попробовал создать усилие на винте и крутанул за муфту?
| Вложения: |
Комментарий к файлу: Это единственная щель откуда сосет воздух на них. Но как я написал выше он так идет с завода.

77B5B7A6-E858-4B60-826E-2171706DCB6B.jpeg [ 165.27 КБ | 3389 просмотров ]
|
|
|
| Вернуться к началу |
|
 |
|
Pioneer
|
|
Зарегистрирован: 08 сен 2017, 21:30 Сообщения: 22
Имя: Евгений
|
Anatoliy11 писал(а): Востановлкние водомёта не в Брянске у Станислава делали?если да, вопросов к шагу винта тет)! Грешить на полумуфты на резьбе и я лично это отбрасываю, равносильно просверлить резьбовую)))! Остаётся искать хороший подсос в башмаке! Именно у Стаса и делал)
|
|
| Вернуться к началу |
|
 |
|
Pioneer
|
|
Зарегистрирован: 08 сен 2017, 21:30 Сообщения: 22
Имя: Евгений
|
Олег23 писал(а): Anatoliy11 писал(а): Востановлкние водомёта не в Брянске у Станислава делали?если да, вопросов к шагу винта тет)! Грешить на полумуфты на резьбе и я лично это отбрасываю, равносильно просверлить резьбовую)))! Остаётся искать хороший подсос в башмаке! С завода башмак идет пустой, те полости что там есть и что советуют закрыть это так сказать тюнинг. То есть он с завода едет при их наличии и не буксует. Там единственное что идет с завода это уплотнительный паралон или резинка наклеенный между башмаком и корпусом. Автор ты воткнул пром вал на водомет попробовал создать усилие на винте и крутанул за муфту?  Да, пробовал, промвал надел на вал водомета и пробовал крутить, не люфтов ничего нет.все так как должно быть.думал еще может на коленвале алюминиевая муфта провернулась, попробовал за нее мотор крутнул, все ок, сидит как влитая, а вторая алюминиевая ответная муфта на промвале, так же как будто на горячую посажена никакого намека на проскальзывание нет. Ps там 2 муфты соит, между ними резиновый демпфер.
|
|
| Вернуться к началу |
|
 |
|
Олег23
|
|
| Не в сети |
| Главный корабельный старшина |
Зарегистрирован: 05 сен 2016, 05:36 Сообщения: 809
Имя: Олег
Техника: Yamaha gp1200R 2000 год
Откуда: Владивосток
Благодарил (а): 15 раз Поблагодарили: 41 раз
|
|
Да и промвал у вас из двух частей
|
|
| Вернуться к началу |
|
 |
|
Pioneer
|
|
Зарегистрирован: 08 сен 2017, 21:30 Сообщения: 22
Имя: Евгений
|
|
[quote="Олег23"]Да и промвал у вас из двух частей[/quote Прказал вал токарю, спросил есть ли смысл разбирать, он гоянул и сказал что ч промвалом все ок, к нему претензий нет....куда копать теперь? Остается подсос воздуха по плите?]
|
|
| Вернуться к началу |
|
 |
|
Олег23
|
|
| Не в сети |
| Главный корабельный старшина |
Зарегистрирован: 05 сен 2016, 05:36 Сообщения: 809
Имя: Олег
Техника: Yamaha gp1200R 2000 год
Откуда: Владивосток
Благодарил (а): 15 раз Поблагодарили: 41 раз
|
|
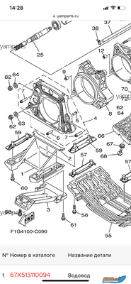
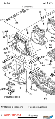
Снимите решетку там на краю должна быть пенка либо резинка. Ну не может он себя вести так из за нее с идеальным водометом. Бред какой то. На схеме цифра 2. Под башмаком она
| Вложения: |

78734101-07CF-43B9-8DD2-C7C30C378D1A.png [ 677.25 КБ | 3351 просмотр ]
|
|
|
| Вернуться к началу |
|
 |
|
Pioneer
|
|
Зарегистрирован: 08 сен 2017, 21:30 Сообщения: 22
Имя: Евгений
|
Олег23 писал(а): Снимите решетку там на краю должна быть пенка либо резинка. Ну не может он себя вести так из за нее с идеальным водометом. Бред какой то. На схеме цифра 2. Под башмаком она  Спасибо за совет, гляну) а не может воздух подсекать по герметику между плитой которая крепится к гидру с зади ?, к ней крепится водомет.
|
|
| Вернуться к началу |
|
 |
|
Олег23
|
|
| Не в сети |
| Главный корабельный старшина |
Зарегистрирован: 05 сен 2016, 05:36 Сообщения: 809
Имя: Олег
Техника: Yamaha gp1200R 2000 год
Откуда: Владивосток
Благодарил (а): 15 раз Поблагодарили: 41 раз
|
|
На гидротойс есть инструкция по герметизации насоса. Но хотелось бы посмотреть что там у вас.
|
|
| Вернуться к началу |
|
 |
|
Pioneer
|
|
Зарегистрирован: 08 сен 2017, 21:30 Сообщения: 22
Имя: Евгений
|
Олег23 писал(а): На гидротойс есть инструкция по герметизации насоса. Но хотелось бы посмотреть что там у вас. Видео снимал водомета, хотел загрузить , грузилось, грузилось и не загрузилось..размер подика большой(
|
|
| Вернуться к началу |
|
 |
Кто сейчас на конференции |
Сейчас этот форум просматривают: нет зарегистрированных пользователей и 10 гостей |
|
|
Вы не можете начинать темы Вы не можете отвечать на сообщения Вы не можете редактировать свои сообщения Вы не можете удалять свои сообщения Вы не можете добавлять вложения
|
|