Меню |
|---|
Реклама |
|---|
Активные участники |
|---|
Часы |
|---|
Поиск |
|---|
Ссылка на наш сайт |
|---|
Кто сейчас на конференции |
|---|
Всего 2 посетителя :: 0 зарегистрированных, 0 скрытых и 2 гостя
Сейчас этот форум просматривают: нет зарегистрированных пользователей и 2 гостя |
Ссылки |
|---|
|
| Автор |
Сообщение |
|
rccombat
|
|
Зарегистрирован: 09 июл 2020, 20:21 Сообщения: 17
Имя: Александр
Техника: Гидрик Кавасаки 750 супер спорт XI
Благодарил (а): 1 раз
|
|
Спасибо за ответы! Cсылка открылась буду мучать переводчик.
|
|
| Вернуться к началу |
|
 |
|
rccombat
|
|
Зарегистрирован: 09 июл 2020, 20:21 Сообщения: 17
Имя: Александр
Техника: Гидрик Кавасаки 750 супер спорт XI
Благодарил (а): 1 раз
|
Приветствую всех откликнувшихся!  Да! С переводом трудновато. А мог бы кто своими словами описать процедуру регулировки карбов на ХХ. Полный газ работает нормально. А вот холостой не понятно. Если резко даешь газ двигатель как-бы захлебывается и глохнет. Приходиться подгазовывать. Свечи мокрые. Надо крутить винты малого газа я так понимаю. А как? Подобраться к ним можно?
|
|
| Вернуться к началу |
|
 |
|
Anatoliy11
|
|
| Не в сети |
| Контр-адмирал |
 |
Зарегистрирован: 30 июн 2016, 09:13 Сообщения: 2628
Имя: Анатолий
Техника: Мотороллер с фаркопом
Откуда: Харьков обл.
Благодарил (а): 30 раз Поблагодарили: 156 раз
|
rccombat писал(а): Приветствую всех откликнувшихся!  Да! С переводом трудновато. Скачая гугл, яндекс фото. переводчик. Скрин фото нужного текста сдедал и туда, - оп ля и готово  на любой язык 
_________________ "Лучше пару раз по разу:- чем ни разу много раз")) настройка карбюраторов ссылка нижеhttp://www.pwctoday.com/showthread.php?t=62278
|
|
| Вернуться к началу |
|
 |
|
rccombat
|
|
Зарегистрирован: 09 июл 2020, 20:21 Сообщения: 17
Имя: Александр
Техника: Гидрик Кавасаки 750 супер спорт XI
Благодарил (а): 1 раз
|
|
Когда один карб вроде все понятно. А как с двумя вот вопрос.
|
|
| Вернуться к началу |
|
 |
|
Anatoliy11
|
|
| Не в сети |
| Контр-адмирал |
 |
Зарегистрирован: 30 июн 2016, 09:13 Сообщения: 2628
Имя: Анатолий
Техника: Мотороллер с фаркопом
Откуда: Харьков обл.
Благодарил (а): 30 раз Поблагодарили: 156 раз
|
|
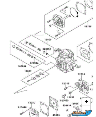
Это настраиваемые), с регулировочными винтами твои карбы? или без винтов сборка 16009, 16009A те что на нижнем фото ?
| Вложения: |

Screenshot_2020-07-15-22-57-57-1.png [ 242.66 КБ | 7968 просмотров ]
|

Screenshot_2020-07-15-22-59-56-1.png [ 387.88 КБ | 7968 просмотров ]
|
_________________ "Лучше пару раз по разу:- чем ни разу много раз")) настройка карбюраторов ссылка нижеhttp://www.pwctoday.com/showthread.php?t=62278
|
|
| Вернуться к началу |
|
 |
|
rccombat
|
|
Зарегистрирован: 09 июл 2020, 20:21 Сообщения: 17
Имя: Александр
Техника: Гидрик Кавасаки 750 супер спорт XI
Благодарил (а): 1 раз
|
|
Верхние. Сказать что не работают нет. Выше среднего газа работают нормально мотор не пыхтит не пердит не чихает. На холостых работают как-будто с переливом и если даешь газ может заглохнуть.Иногда помогает дросселирование. Пробовал поднять холостой ход винтом тогда гидрик на месте не стоит. Какой-то затуп идет с холостого. И если газ дал и он заглох заводиться только поворотом воздушной заслонки в закрытое положение а затем быстро открываешь воздух и даешь газ и гидр попер. А так что-бы с холостых дал газ и поехал не получается.
|
|
| Вернуться к началу |
|
 |
|
Anatoliy11
|
|
| Не в сети |
| Контр-адмирал |
 |
Зарегистрирован: 30 июн 2016, 09:13 Сообщения: 2628
Имя: Анатолий
Техника: Мотороллер с фаркопом
Откуда: Харьков обл.
Благодарил (а): 30 раз Поблагодарили: 156 раз
|
|
Это одно и то же, в верху фото сборка и показаны винты - синхронизация двух карбов и винт хх. Нижнее... карб в разборе и 2 настроечных) винта, они у тебя есть?
_________________ "Лучше пару раз по разу:- чем ни разу много раз")) настройка карбюраторов ссылка нижеhttp://www.pwctoday.com/showthread.php?t=62278
|
|
| Вернуться к началу |
|
 |
|
rccombat
|
|
Зарегистрирован: 09 июл 2020, 20:21 Сообщения: 17
Имя: Александр
Техника: Гидрик Кавасаки 750 супер спорт XI
Благодарил (а): 1 раз
|
|
Да винты есть. Но как пишут в мануале на них стоят заглушечки и они типа настроены и их трогать не надо. Я так понимаю надо попробовать крутануть винт который в середине двух карбов в ту или другую сторону. Ну и смотреть что будет и соответственно корректировать винтом холостого хода. Или я заблуждаюсь?
|
|
| Вернуться к началу |
|
 |
|
Anatoliy11
|
|
| Не в сети |
| Контр-адмирал |
 |
Зарегистрирован: 30 июн 2016, 09:13 Сообщения: 2628
Имя: Анатолий
Техника: Мотороллер с фаркопом
Откуда: Харьков обл.
Благодарил (а): 30 раз Поблагодарили: 156 раз
|
|
Колпачки или мёртвые заглушки? Если колпачки как на фото то всё верно пишут в мануале про заводские настроуки, если их не снимали и не крутили винты. Винты настроены заводом. На колпачках огранечители, ход их 1/4 оборота жля малой, точной подстройки. Какая базовая настройка ты должен выяснить с мануала, опять же если жиклёры то же ни кто не менял). Разбери карбы, прмой карбклинером все каналы. Особенно низкоскоросному контуру (он отвечает за работу с низов) это нижний винт, возле нег должна находится буква (L), верхний (H) высокие скорости. Винты будешь выкручивать посчитай на склько они выкручена от полностью закрученого ( не затянутых с дуру). В районе закрытой нижней заслонки ты должен найти 2-3 ( я точно не знаю этих карбов keihin) маленьких отверстия , убедись в их проходимости это твоя работа на хх и старт. Внимание всем мембранам и резиновым кольцам, внутренний фильтр - лучше новые ориг ремкомплект. Винтом синхронизации выведи заслонки в одинаковое положение ( открываются одновременно одинаково) при выкрученом)) винте х.х., потом обороты хх настроишь согласно мануалу на воде, ну в приделах 1500, без нагрузки на шланге обороты будут выше. И да, как возможно стоять на месте с прямым приводом?
_________________ "Лучше пару раз по разу:- чем ни разу много раз")) настройка карбюраторов ссылка нижеhttp://www.pwctoday.com/showthread.php?t=62278
|
|
| Вернуться к началу |
|
 |
|
rccombat
|
|
Зарегистрирован: 09 июл 2020, 20:21 Сообщения: 17
Имя: Александр
Техника: Гидрик Кавасаки 750 супер спорт XI
Благодарил (а): 1 раз
|
 Огромный респект!!! Все понял. Еще раз спасибо!
|
|
| Вернуться к началу |
|
 |
|
rccombat
|
|
Зарегистрирован: 09 июл 2020, 20:21 Сообщения: 17
Имя: Александр
Техника: Гидрик Кавасаки 750 супер спорт XI
Благодарил (а): 1 раз
|
|
Всем привет! Возник вопрос нет зарядки. Где расположено реле зарядки? Чтобы найти нужно разбирать весь блок электрики? Есть там какие подводные камни? Разбирается легко? Чем можно заменить? В смысле аналогов или только оригинал. И тянет-ли вообще зарядка ак большей емкости чем 19а\ч?
|
|
| Вернуться к началу |
|
 |
|
rccombat
|
|
Зарегистрирован: 09 июл 2020, 20:21 Сообщения: 17
Имя: Александр
Техника: Гидрик Кавасаки 750 супер спорт XI
Благодарил (а): 1 раз
|
|
Всем привет! Борюсь с дельфинированием. Вопрос по форме сопла. Такое должно быть или с ним что-то не так?
| Вложения: |

IMG20200726183734.jpg [ 54.46 КБ | 6844 просмотра ]
|
|
|
| Вернуться к началу |
|
 |
|
Anatoliy11
|
|
| Не в сети |
| Контр-адмирал |
 |
Зарегистрирован: 30 июн 2016, 09:13 Сообщения: 2628
Имя: Анатолий
Техника: Мотороллер с фаркопом
Откуда: Харьков обл.
Благодарил (а): 30 раз Поблагодарили: 156 раз
|
|
| Вернуться к началу |
|
 |
|
rccombat
|
|
Зарегистрирован: 09 июл 2020, 20:21 Сообщения: 17
Имя: Александр
Техника: Гидрик Кавасаки 750 супер спорт XI
Благодарил (а): 1 раз
|
В мануале не так. В мануале тяги с двух сторон а у меня с одной. Следов что его потерло вроде нет. Может это сопло такое  . Вот и интересуюсь. Может причина дельфина в сопле. т.е в том что оно так спилено? Я такой купил. Если кто-то спилил то для чего? Есть-ли вообще сопла с такой формой?
|
|
| Вернуться к началу |
|
 |
|
Anatoliy11
|
|
| Не в сети |
| Контр-адмирал |
 |
Зарегистрирован: 30 июн 2016, 09:13 Сообщения: 2628
Имя: Анатолий
Техника: Мотороллер с фаркопом
Откуда: Харьков обл.
Благодарил (а): 30 раз Поблагодарили: 156 раз
|
|
Может какой долбодятел и спилил борясь с дельфином а скорее отбил. Невстречал лично я такой формы сопла!
_________________ "Лучше пару раз по разу:- чем ни разу много раз")) настройка карбюраторов ссылка нижеhttp://www.pwctoday.com/showthread.php?t=62278
|
|
| Вернуться к началу |
|
 |
Кто сейчас на конференции |
Сейчас этот форум просматривают: нет зарегистрированных пользователей и 2 гостя |
|
|
Вы не можете начинать темы Вы не можете отвечать на сообщения Вы не можете редактировать свои сообщения Вы не можете удалять свои сообщения Вы не можете добавлять вложения
|
|